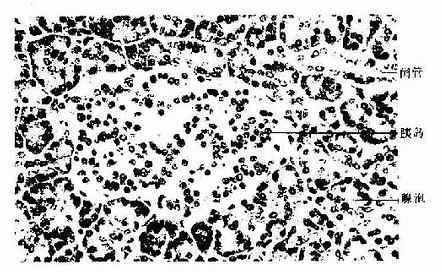
胰腺表面覆以薄层结缔组织被膜,结缔组织伸入腺内将实质分隔为许多小叶,但人胰腺小叶分界不明显。腺实质由外分泌部和内分泌部两部分组成。外分泌部分泌胰液,含有多种消化酶,经导管排入十二指肠,在食物消化中起重要作用。内分泌部是散在于外分泌部之间的细胞团,称胰岛,它分泌的激素进入血液或淋巴,主要参与调节碳水化合物的代谢(图13-4)。

图13-4 人胰腺 HE×400
(一)外分泌部
外分泌部为浆液性复管泡状腺。小叶间结缔组织中有导管、血管、淋巴管和神经。
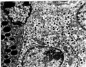
1.腺泡腺细胞呈锥体形,细胞底部位于基膜上,基膜与腺细胞之间无肌上皮细胞。腺细胞具有合成蛋白质的结构特点,基部胞质内含有丰富的粗面内质网和核糖体,故在HE切片上,此处胞质呈嗜碱性。细胞核圆形,位近基底部。细胞合成的蛋白质(酶的前体),经高尔基复合体组装于分泌颗粒(酶原颗粒)内。颗粒聚集于细胞顶部(图13-5),其数量因细胞功能状态不同而异,饥饿时细胞内分泌颗粒增多;进食后细胞释放分泌物,颗粒减少。

图13-5 小鼠胰腺细胞电镜像×12000
S分泌颗粒,RER粗面内质网,M线粒体,Lu腺腔,TJ紧密连接
(上海医科大学电镜室供图)
胰腺腺泡腔面还可见一些较小的扁平或立方形细胞,称泡心细胞(centroacinar cell),细胞质染色淡,核圆形或卵圆形。泡心细胞是延伸入腺泡腔内的闰管上皮细胞(图13-6)。

图13-6 胰腺腺泡模式图
示泡心细胞与闰管
2.导管腺泡以泡心细胞与闰管相连,胰腺的闰管长,无纹状管,闰管逐渐汇合形成小叶内导管。小叶内导管在小叶间结缔组织内汇合成小叶间导管,后者再汇合成一条主导管,贯穿胰腺全长,在胰头部与胆总管汇合,开口于十二指肠乳头。闰管腔小,为单层扁平或立方上皮,细胞结构与泡心细胞相同。从小叶内导管至主导管,管腔渐增大,单层立方皮逐渐变为单层柱状,主导管为单层高柱状上皮,上皮内可见杯状细胞。
3.胰液 胰液为碱性液体,Na+、K+、Ca2+、Mg2+、HCO-3、HPO42+等,其中以碳酸氢盐含量最高,胰液中的多种消化酶由腺泡细胞分泌,如胰蛋白酶、胰糜蛋白酶、多肽酶、胰淀粉酶、胰脂肪酶、胆固醇脂酶、DNA酶、RNA酶等,它们分别消化食物中的各种营养成分。腺泡细胞分泌的酶有的是以酶原形式排出,如胰蛋白酶原和胰糜蛋白酶原,它们排入小肠后被肠肽酶激活成为有活性酶。腺细胞还分泌一种胰蛋白酶抑制因子,能防止胰蛋白酶原在胰腺内致活,若这种内在机制失调或某些致病因素使胰蛋白酶原在胰腺内激活,可致胰腺组织分解破坏,导致急性胰腺炎。
胰腺的分泌受神经和体液的调节。交感和副交感神经随血管进入胰腺,其末梢分布于腺泡,副交感神经兴奋促进胰酶分泌,交感神经兴奋使分泌减少。消化管内分泌细胞分泌的某些激素也参与对胰腺分泌的调节,如促胰液素主要作用于小导管上皮细胞,使其分泌大量水和碳酸氢盐,胰液量增多;胆囊收缩素-促胰酶素可促进腺泡细胞分泌大量消化酶,但胰液量不增多;胃泌素也有促进胰酶分泌作用。
(二)内分泌部
胰岛(pancreas islet)是由内分泌细胞组成的细胞团,分布于腺泡之间在(图13-4)。成人胰腺约100万个胰岛,约占胰腺体积的1.5%左右,胰尾部的胰岛较多。胰岛大小不一,小的仅由10多个细胞组成,大的有数百个细胞,也可见单个细胞散在于腺泡之间,胰岛细胞呈团索状分布,细胞间有丰富的有孔型毛细血管,细胞释放激素入血。人胰岛主要有A、B、D、PP四种细胞,某些动物的胰岛内还有D1细胞、C细胞等,细胞之间有紧密连接和缝隙连接。HE染色切片中不易区分各种细胞,一些特殊染色法可显示A、B、D三种细胞。近年多用电镜和免疫细胞化学法区分和研究胰岛各种细胞(图13-7,13-8)。
1.A细胞 约占胰岛细胞总数的20%,细胞体积较大,多分布在胰岛周边部(图13-7)。电镜下可见A细胞内的分泌颗粒较大,呈圆形或卵圆形,颗粒内的致密核芯常偏于一侧,膜与核芯之间在可见一新月形的帽样间隙,内含密度较低的无定形物(图13-8)。A细胞分泌高血糖素(glucagon),故又称高血糖素细胞。高血糖是小分子多肽,它的作用是促进肝细胞内的糖原分解为葡萄糖,并抑制糖原合成,故使血糖升高。

图13-8
2.B细胞 数量较多,约占胰岛细胞总数的70%,主要位于胰岛的中央部(图13-7)。B细胞内的分泌颗粒大小不一,其结构因动物种属而异,人和鼠等的B细胞颗粒内常见杆状或不规则形晶状致密核芯,核芯与膜之间有较宽的清亮间隙(图13-8)。B细胞分泌胰岛素(insulin),故又称胰岛素细胞。胰岛素是含51个氨基酸的多肽,主要作用是促进细胞吸收血液内的葡萄糖作为细胞代谢的主要能量来源,同时也促进肝细胞将葡萄糖合成糖原或转化为脂肪。故胰岛素的作用与高血糖素相反,可使血溏降低。这两种激素的协同作用,使血糖水平保持稳定。若胰岛素的作用与高血糖素相反,可使血糖降低。这两种激素的协同作用,使血糖水平保持稳定。若胰岛发生病变,B细胞退化,胰岛素分泌不足,可致血溏升高,并从尿中排出,即为糖尿病。胰岛B细胞肿瘤或细胞功能亢进,则胰岛素分泌过多,可导致低血糖症。
3.D细胞 数量少,约占胰岛细胞总数的5%,D细胞散在于A、B细胞之间,并与A、B细胞紧密相贴(图13-7)细胞间有缝隙连接。D细胞内的分泌颗粒较大,圆形或卵圆形,内容物呈细颗粒状,电子密度低。D细胞分泌生长抑素(somato statin),它以旁分泌方式或经缝隙连接直接作用于邻近的A细胞、B细胞或PP细胞,抑制这些细胞的分泌功能。生长抑素也可进入血循环对其他细胞功能起调节作用。

图13-7 胰岛
A.胰岛三种细胞分布模式图
B.高血糖素免疫细胞化学(PAP法)示胰岛A细胞 ×100
C胰岛素免疫细胞化学(胶体金法)示胰岛B细胞 ×100
4.PP细胞数量很少,除存在于胰岛内,还可见于外分泌部的导管上皮内及腺泡细胞间,胞质内也有分泌颗粒。PP细胞分泌胰多肽(pancreatic polypeptide),它有抑制胃肠运动和胰液分泌以及胆囊收缩的作用。
除以上几种细胞外,某些动物的胰岛内还发现有分泌血管活性肠肽(VIP)的D1细胞,分泌胃泌素的G细胞。有的低等脊椎动物胰岛内还存在一种无分泌颗粒的细胞,称为C细胞,它是一种未分化细胞,可分化为A、B、D等细胞。胰岛细胞中除B细胞外,其他几种细胞也见于胃肠粘膜内,它们的结构也相似,都合成和分泌肽类或胺类物质,故认为胰岛细胞也属APUD系统,并将胃、肠、胰这些性质类似的内分泌细胞归纳称为胃肠胰内分泌系统(gastro-entero-pancreatic endocrinesystem),简称GEP系统。
胰岛内分泌功能也受神经系统的调节,胰岛内可见交感和副交感神经末梢。交感神经兴奋,促进A细胞分泌,使血糖升高;副交感神经兴奋,促使B细胞分泌,使血糖降低。
全部讨论(0)
请在登录后参与讨论...